SG30标准实心轴减速电机 100W-2200W
SG30系列直角轴减速电机
语言
190-5756-1776
联系电话:19057561776
传真FAX:021-57272258
邮箱:ycgear115@163.com
地址: 上海市金山区朱泾镇工业园B区
功率:0.1KW~2.2KW
电压:220V/380V
速比:5~160
扭矩:10~2000N.m
190-5756-1776
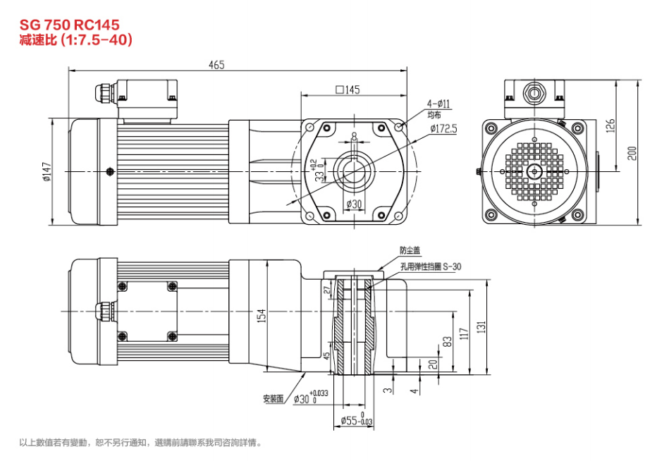
结构设计 :采用直交同心轴型布局,安装形式为立式,便于在空间受限的设备中部署。
应用场景 :主要应用于物流输送线、自动化生产线等工业环境,其硬齿面斜齿轮设计确保了在连续运行中的稳定性。
